

























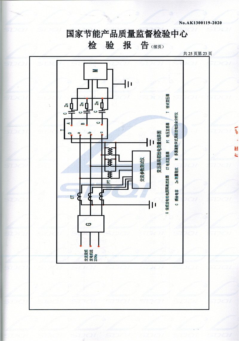
山东中能变压器制造有限公司是一家专业的变压器生产厂家我们公司所生产的变压器均更符合的规定检验的结论显示该样品的所检项目均为合格。
int(111)
SHANDONG ZHONGNENG TRANSFORMER MANUFACTURING CO., LTD
诚信为本,客户至上
国家电网、南方电网入网企业
全国服务热线: 13181089999
0635-6066688
发布时间:2018-12-05
山东中能变压器制造有限公司是一家专业的变压器生产厂家我们公司所生产的变压器均更符合的规定检验的结论显示该样品的所检项目均为合格。


























山东中能变压器制造有限公司是一家专业的变压器生产厂家我们公司所生产的变压器均更符合的规定检验的结论显示该样品的所检项目均为合格。
上一篇: 宁夏干式变压器试验合格证书
下一篇: 宁夏SCB11干式变压器型号备案证书
2023-05-22
2023-11-13
2023-11-13
2018-11-19
2018-11-21